登录
注册
个人中心
我的订单
我的消息
登录/注册
购物车
进入购物车
我的订单
关于维度光电
0755-8600 9521
产品中心
光束分析与测量
光学平台与光机件
运动控制
激光器与光源
光学元件与成像
光纤光学 光纤传感
科学相机与光谱学
系统应用
BeamHere光斑分析仪系列
BeamHere光斑分析仪系列
光功率、能量测量
光电式功率计
光功率计模块
光探-手持光功率计
UV能量计
照度计
积分球及光谱测量
积分球
光纤光谱仪
拉曼光谱仪
单色仪
光纤瞬断测试仪
太赫兹波谱仪
科研相机
短波红外相机
紫外相机
光电探测器
放大光电探测器
平衡光电探测器
单光子探测器
单光子计数器
雪崩光电探测器
PIN-FET光电探测器
光电二极管
光电倍增管
通用标准型积分球
光电式功率计、能量计
光斑分析仪
CMOS相机
激光观察卡
单光子探测器
量子技术
声光调制器
电光调制器
单纵模激光器
窄线宽激光器
平衡光电探测器
光纤耦合器
光纤跳线
偏振光学元件
光学调整架
偏振控制器
辅件与工具
激光护目镜
激光观察卡
分析与测量系统
光面光斑显微分析系统
快速采购
服务中心
技术支持
申请试用
产品资料
商务合作
定制服务
展会排期
操作指引
用户协议
关于维度光电
灯塔实验室
了解灯塔实验室
预约培训与参观
学术交流与讲座
常规培训
检测检验
资源中心
新品发布
产品手册
产品资料
解决方案
视频教程
新闻资讯
展会资讯
工业百科
维度科技
积分商城
首页
产品中心
光束分析与测量
光学平台与光机件
运动控制
激光器与光源
光学元件与成像
光纤光学 光纤传感
科学相机与光谱学
系统应用
运动控制
电动位移台
手动位移台
一体式高稳定位移台
运动控制器
压电系列
手动探针台系列
配件与工具
电动位移台
XYθ精密光学视觉对位平台
电动水平位移台
电动角度位移台
电动旋转位移台
电动水平升降位移台
电动位移台控制器
XYθ精密光学视觉对位平台
XYθ精密光学视觉对位平台
XYθ精密光学视觉对位平台
五维组装位移台系列
四维组装位移台系列
三维组装位移台系列
二维组装位移台系列
六维组装位移台系列
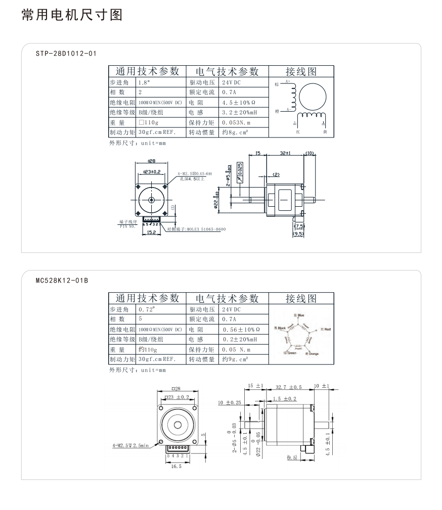
产品详情
选型
技术说明
应用领域
在线客服
购物车
意见反馈
回到顶部